🏫 National Institute of Technology Silchar
Click to view the Question Paper


| Q. No. | Questions | Marks | CO |
|---|---|---|---|
| 1.(a) | The number of address pins in Intel 8085 is 16 and in Intel 8086 it is 20. How many memory locations are they capable of addressing? | 2 | CO3 |
| 1.(b) | Distinguish between the following pairs of instruction: i. LDA F900 H and LXI H, 1234Hii. ADD M and ADC M | 2 | CO3 |
| 1.(c) | Explain different types of addressing modes available in 8085 with an example for each. | 2 | CO3 |
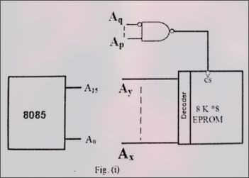
| 2.(a) | Identify the value of 'x', 'y', 'p', and 'q', for absolute decoding of the memory chip of 8 KB as shown in Fig. (i). Ax to Ay represents range for address used as an input to decoder. Ap to Aq represents range for address line used for chip select for absolute decoding. Chip select (CS) is an active low signal. ![]() Address line Aq has only bubble at the input of NAND gate. | 6 | CO3 |
| 2.(b) | Suppose the machine codes (3EH) and (42H) for the instruction MVI A, 42H are stored in memory locations 4000H and 4001H respectively. Draw the timing diagram for executing the instruction. If the processor is having 5 MHz clock frequency, how much time will be needed to execute the instruction? | 6 | CO3 |
| 3.(a) | The contents of memory locations 2400H, 2401H, 2402H and 2403H are 00, FFH, 0FH and 1AH respectively. What will be the memory contents after the following instructions are executed?LHLD 2402HLDA 2400HMOV B, LMOV C, HMVI D, 03MOV E, ASHLD 2400HSTA 2402H | 4 | CO1 |
| 3.(b) | A set of 16 current readings is stored in memory locations starting at 2000H. The readings are expected to be negative. Write a program to (i) Check each reading to determine whether the number is positive or negative. (ii) Reject all the positive readings. (iii) Add all the negative readings. (iv) Output 01H to PORT1 when there is an overload/sum exceeds FFH; otherwise display the sum at PORT1. | 5 | CO1 |
| 3.(c) | A set of eight readings is stored in memory starting at location 2050H. Write a program to check whether a byte 40H exists in the set. If it does, stop checking and display 01H; otherwise display FFH. Data (H) 48, 32, F2, 38, 37, 40, 82, 8A. | 3 | CO1 |



